输送链用自动加油器
加入购物车
输送链用自动加油器
无需如电力等动力能源,安装容易,而且又可确实、稳定地加油。
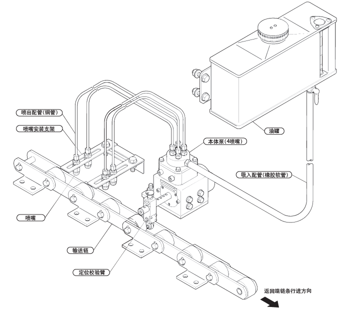
  • 通过链条的滚子把加油器本体泵的定位感应器推上去,启动泵开始运作,从喷油嘴中喷吐出适量润滑油的自动加油器。
  • 无需动力源: 链条行走时启动本体泵,无需电气或空压等动力源,安装维修容易。
  • 确实的供油: 与链条联动供油,可稳定确实的加油。
  • 小型,低价格: 与现有的输送链供油机相比,轻量,小型,操作便利,价格也经济。
应用领域
  • 汽车制造

  • 采矿行业

  • 电力生产

  • 钢铁行业

  • 化学行业

  • 环境保护

  • 机械设备

  • 其他行业

请选择非标品

非标品选型说明

1. 请选择参数并生成型号,点击咨询按钮并提交,椿本会第一时间回复您的问题

2. 如果已购买过我司商品,可以直接填写非标品型号

型号
  • TCL4
  • TCL2
型号
 

产品简介

  • 打造中国研发和生产基地 日本技术中国制造,提供低价格短交期的优质产品
  • 传承百年生产技术和经验 继承了日本的技术和生产经验,生产高品质链条
  • 严格的检验体制 为打造高品质的链条,在不断完善检验体制下进行严格地品质确认

产品特点

无需如电力等动力能源,安装容易,而且又可确实、稳定地加油。
  • 通过链条的滚子把加油器本体泵的定位感应器推上去,启动泵开始运作,从喷油嘴中喷吐出适量润滑油的自动加油器。
  • 无需动力源: 链条行走时启动本体泵,无需电气或空压等动力源,安装维修容易。
  • 确实的供油: 与链条联动供油,可稳定确实的加油。
  • 小型,低价格: 与现有的输送链供油机相比,轻量,小型,操作便利,价格也经济。