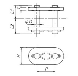
末端专用连接链节・RS滚子链用
加入购物车
末端专用连接链节・RS滚子链用
应用领域
  • 汽车制造

  • 电子电气

  • 采矿行业

  • 电力生产

  • 纺织服装

  • 钢铁行业

  • 化学行业

  • 其他行业

请选择非标品

非标品选型说明

1. 请选择参数并生成型号,点击咨询按钮并提交,椿本会第一时间回复您的问题

2. 如果已购买过我司商品,可以直接填写非标品型号

型号
  • RS40EB-JL
  • RS50EB-JL
  • RS60EB-JL
  • RS80EB-JL
  • RS100EB-JL
  • RS120EB-JL
型号
 

产品简介

  • 高耐磨损寿命  采用椿本独有的加工技术,开发了无缝一体套筒。高精度一体套筒和特殊凹痕(LD)加工提高了润滑油的保持效果,将磨损寿命提高2倍。现有的G8系列,采用新开发的改善粘黏的防锈润滑油,磨损寿命是G7系列的1.2倍。
  • 长寿命带来的好处① 生产成本的降低  长寿命的产品,降低了生产过程中更换链条的频率,带来生产成本的降低。
  • 长寿命带来的好处② 减少二氧化碳的排放  长寿命的产品,使得相同的生产任务下需要使用的链条总数降低,以减少二氧化碳排放对地球的伤害。
  • 清洁的现场环境  现有的G8系列,采用新开发的改善粘黏的防锈润滑油。

产品特点